каталог товаров
СОБЕРИЗАВОД

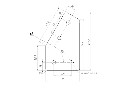
У-соединитель 60 градусов 4 отв, паз 10, F56 Арт. F56

штука
технические характеристики
Паз: 10
Серия: 40
Масса: 0,1837 кг / шт
Материал: сталь 3 мм
Покрытие: порошковая окраска

Описание товара

У-соединитель 60 градусов предназначен для углового соединения алюминиевых конструкционных профилей серии 40 под углом 60 градусов.