Конструкционный профиль и соединительные элементы
Мы предлагаем качественную стержневую систему из алюминиевых конструкционных профилей различных серий, которая отлично подходит для применения в самых разных областях.
Преимущества нашего профиля
Изготавливается в России
Благодаря производству на российских заводах мы можем гарантировать высокий уровень складских запасов и сократить сроки поставки.
Анодированная поверхность предотвращает коррозию
Анодированная поверхность алюминиевых профилей надежно защищает их от коррозии, продлевая срок службы конструкций в агрессивных средах.
Возможность фрезеровки и нарезания резьбы
Алюминиевые профиля легко поддаются фрезеровке и нарезанию резьб, что упрощает их адаптацию под конкретные задачи и увеличивает функциональность
Лёгкость и простота подрезки профиля
Профили легко подрезаются под нужные размеры, что позволяет быстро и точно подогнать их под параметры проекта.
Простота и удобство монтажа без сварки
Монтаж профилей без сварки упрощает сборку, снижает затраты и позволяет легко разбирать и модифицировать конструкции.
Быстрое изменение конструкции и конфигураций
Конструкции легко модифицируются и адаптируются под новые требования, что сокращает время простоя и повышает эффективность.
Гибкость, модернизация и трансформация конструкций
Профили обеспечивают высокую гибкость при проектировании, легко модернизируются и трансформируются, адаптируясь под новые задачи.
  • Отсутствие необходимости в дополнительных работах после сборки
  • Универсальность применения в различных отраслях промышленности
  • Возможность повторного использования
  • Лёгкий вес при высокой прочности
Конструкционные системы
Артикул: 444SL
Размер: 40х40SL
Масса: 0,97 кг / м
Материал: AlMgSi 6060 Т6
Момент инерции, (Ix): 5,96 см4
Момент инерции, (Iy): 5,96 см4
Момент сопротивления, (Wx): 2,98 см3
Момент сопротивления, (Wy): 2,98 см3
Артикул: 444L
Размер: 40х40L
Масса: 1,3 кг / м
Материал: AlMgSi 6060 Т6
Момент инерции, (Ix): 7.3 см4
Момент инерции, (Iy): 7.3 см4
Момент сопротивления, (Wx): 3,65 см3
Момент сопротивления, (Wy): 3,65 см3
Артикул: 444L1C
Размер: 40х40L1C
Масса: 1,28 кг / м
Материал: AlMgSi 6060 Т6
Момент инерции, (Ix): 7.24 см4
Момент инерции, (Iy): 7.62 см4
Момент сопротивления, (Wx): 3,62 см3
Момент сопротивления, (Wy): 3,81 см3
Артикул: 444L.3C
Размер: 40х40L.3C
Масса: 1,33 кг / м
Материал: AlMgSi 6060 Т6
Момент инерции, (Ix): 7,59 см4
Момент инерции, (Iy): 8,04 см4
Момент сопротивления, (Wx): 3,79 см3
Момент сопротивления, (Wy): 4,02 см3
Артикул: 444
Размер: 40х40
Масса: 1,52 кг / м
Материал: AlMgSi 6060 Т6
Момент инерции, (Ix): 8.9 см4
Момент инерции, (Iy): 8.9 см4
Момент сопротивления, (Wx): 4,45 см3
Момент сопротивления, (Wy): 4,45 см3
Артикул: 444H
Размер: 40х40H
Масса: 1,74 кг / м
Материал: AlMgSi 6060 Т6
Момент инерции, (Ix): 10,43 см4
Момент инерции, (Iy): 10,43 см4
Момент сопротивления, (Wx): 5,22 см3
Момент сопротивления, (Wy): 5,22 см3
Артикул: 444SH
Размер: 40х40SH
Масса: 1,95 кг / м
Материал: AlMgSi 6060 Т6
Момент инерции, (Ix): 11,43 см4
Момент инерции, (Iy): 11,43 см4
Момент сопротивления, (Wx): 5,71 см3
Момент сопротивления, (Wy): 5,71 см3
Потяните, чтобы выбрать прочность профиля
Листайте, чтобы выбрать прочность профиля
Каталог
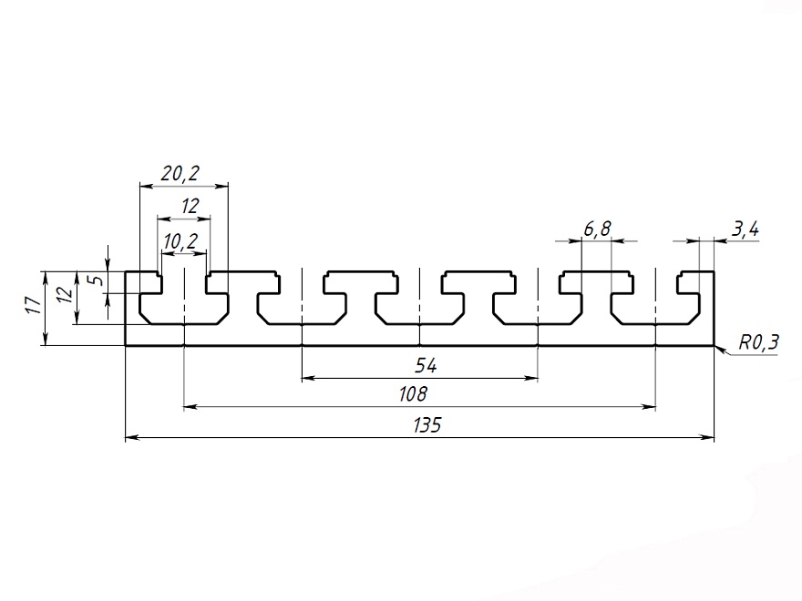
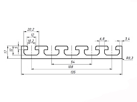
Профиль для стола тяжёлый 17х135 (Ан. серебро)
Арт. TH1
Описание:

Профиль изготовлен по стандартам
ГОСТ 22233-2025
Стоимость:
4 394 р/м
Технически характеристики:
Длина профиля:
6020 мм
Паз:
10
Серия:
40, 45, 50
Масса:
3,67 кг / м
Материал:
AlMgSi 6060 Т6
Покрытие:
анодирование
Площадь сечения профиля:
13.53 см2
Момент инерции, (Ix):
4.01 см4
Момент инерции, (Iy):
208.26 см4
Момент сопротивления, (Wx):
4,72 см3
Момент сопротивления, (Wy):
30,85 см3
Стоимость 1 реза в размер
75 р
Профиль конструкционный 100х100SL (Ан. серебро)
Арт. 61010SL
Описание:
Данные профили, являются особенно подходящими для конструкций несущие высокие нагрузки, такие как рабочие столы, транспортные тележки, рамы под оборудование и другое. 
Профиль изготовлен по стандартам
ГОСТ 22233-2025

Продается кратно 1 метру.
Стоимость:
6 525 р/м
Технически характеристики:
Длина профиля:
6020 мм
Паз:
10
Серия:
50
Масса:
5,3 кг / м
Материал:
AlMgSi 6060 Т6
Покрытие:
анодирование
Площадь сечения профиля:
19.62 см2
Момент инерции, (Ix):
221.98 см4
Момент инерции, (Iy):
221.98 см4
Момент сопротивления, (Wx):
44,40 см3
Момент сопротивления, (Wy):
44,40 см3
Стоимость 1 реза в размер
100 р
Профиль конструкционный 15х15 (Ан. серебро)
Арт. 111
Описание:
Алюминиевый профиль серии 15 с пазом 3 мм, применяется  для создания макетов машин, лабораторных и выставочных стендов. Благодаря небольшим внешним размерам и большому набору соединительных пластин, из профиля можно сконструировать компактные приспособления и реализовать любую Вашу задумку. В паз профиля, становиться шестигранная гайка и головка шестигранного болта, благодаря этому снижается стоимость крепежа.
Профиль изготовлен по стандартам
ГОСТ 22233-2025
Стоимость:
375 р/м
Технически характеристики:
Длина профиля:
5020 мм
Паз:
3
Серия:
15
Масса:
0,312 кг / м
Материал:
AlMgSi 6060 Т6
Покрытие:
анодирование
Площадь сечения профиля:
1.16 см2
Момент инерции, (Ix):
0.23 см4
Момент инерции, (Iy):
0.23 см4
Момент сопротивления, (Wx):
0,31 см3
Момент сопротивления, (Wy):
0,31 см3
Стоимость 1 реза в размер
15 р
Профиль конструкционный 20х20 (Ан. серебро)
Арт. 222
Описание:
Алюминиевый профиль 20 серии с пазом 6 мм применяется для простых конструкций воспринимающих средние нагрузки. Также широко используется для создания выставочных стендов, легких дверей и перегородок, защитных ограждений, небольших лабораторных приборов и других конструкций. Профиль конструкционный 20х20 отлично подойдет для домашних конструкций.
Профиль изготовлен по стандартам
ГОСТ 22233-2025
Стоимость:
458 р/м
Технически характеристики:
Длина профиля:
6020 мм
Паз:
6
Серия:
20
Масса:
0,38 кг / м
Материал:
AlMgSi 6060 Т6
Покрытие:
анодирование
Площадь сечения профиля:
1.42 см2
Момент инерции, (Ix):
0.57 см4
Момент инерции, (Iy):
0.57 см4
Момент сопротивления, (Wx):
0.57 см3
Момент сопротивления, (Wy):
0.57 см3
Стоимость 1 реза в размер
20 р
Профиль конструкционный 20х20H (Ан. серебро)
Арт. 222H
Описание:
Алюминиевый профиль 20 серии с пазом 6 мм применяется для простых конструкций воспринимающих средние нагрузки. Также широко используется для создания выставочных стендов, легких дверей и перегородок, защитных ограждений, небольших лабораторных приборов и других конструкций. Профиль конструкционный 20х20 отлично подойдет для домашних конструкций.
Профиль изготовлен по стандартам
ГОСТ 22233-2025
Стоимость:
533 р/м
Технически характеристики:
Длина профиля:
5020 мм
Паз:
6
Серия:
20
Масса:
0,445 кг / м
Материал:
AlMgSi 6060 Т6
Покрытие:
анодирование
Площадь сечения профиля:
1.64 см2
Момент инерции, (Ix):
0.72 см4
Момент инерции, (Iy):
0.72 см4
Момент сопротивления, (Wx):
0.72 см3
Момент сопротивления, (Wy):
0.72 см3
Стоимость 1 реза в размер
20 р
Профиль конструкционный 20х20L.3C (Ан. серебро)
Арт. 222L.3C
Описание:
Алюминиевый профиль 20 серии с Т пазом 6 мм применяется для простых конструкций воспринимающих средние нагрузки. Также широко используется для создания выставочных стендов, легких дверей и перегородок, защитных ограждений, небольших лабораторных приборов и других конструкций. Профиль конструкционный 20х20SL.3C отлично подойдет для домашних конструкций.
Профиль изготовлен по стандартам
ГОСТ 22233-2025
Стоимость:
439 р/м
Технически характеристики:
Длина профиля:
6020 мм
Паз:
6
Серия:
20
Масса:
0,37 кг / м
Материал:
AlMgSi 6060 Т6
Покрытие:
анодирование
Площадь сечения профиля:
1.35 см2
Момент инерции, (Ix):
0.54 см4
Момент инерции, (Iy):
0.58 см4
Момент сопротивления, (Wx):
0,54 см3
Момент сопротивления, (Wy):
0,58 см3
Стоимость 1 реза в размер
20 р
Профиль конструкционный 20х40 (Ан. серебро)
Арт. 224
Описание:
Алюминиевый профиль 20 серии с пазом 6 мм применяется для простых конструкций воспринимающих средние нагрузки. Также широко используется для создания выставочных стендов, легких дверей и перегородок, защитных ограждений, небольших лабораторных приборов и других конструкций. Профиль конструкционный 20х20 отлично подойдет для домашних конструкций.
Профиль изготовлен по стандартам
ГОСТ 22233-2025
Стоимость:
812 р/м
Технически характеристики:
Длина профиля:
6020 мм
Паз:
6
Серия:
20
Масса:
0,68 кг / м
Материал:
AlMgSi 6060 Т6
Покрытие:
анодирование
Площадь сечения профиля:
2.51 см2
Момент инерции, (Ix):
1.06 см4
Момент инерции, (Iy):
3.97 см4
Момент сопротивления, (Wx):
1.06 см3
Момент сопротивления, (Wy):
1.98 см3
Стоимость 1 реза в размер
30 р
Профиль конструкционный 20х40L (Ан. серебро)
Арт. 224L
Описание:
Алюминиевый профиль 20 серии с пазом 6 мм применяется для простых конструкций воспринимающих средние нагрузки. Также широко используется для создания выставочных стендов, легких дверей и перегородок, защитных ограждений, небольших лабораторных приборов и других конструкций. Профиль конструкционный 20х40L отлично подойдет для домашних конструкций.
Профиль изготовлен по стандартам
ГОСТ 22233-2025
Стоимость:
664 р/м
Технически характеристики:
Длина профиля:
6020 мм
Паз:
6
Серия:
20
Масса:
0,57 кг / м
Материал:
AlMgSi 6060 Т6
Покрытие:
анодирование
Площадь сечения профиля:
2.1 см2
Момент инерции, (Ix):
0.93 см4
Момент инерции, (Iy):
3.42 см4
Момент сопротивления, (Wx):
0,93 см3
Момент сопротивления, (Wy):
1,71 см3
Стоимость 1 реза в размер
30 р
Профиль конструкционный 30.60x60L (Ан. серебро)
Арт. 366L
Описание:
Алюминиевый профиль серии 30 с пазом 8 мм применяется для простых конструкций, воспринимающих средние нагрузки. Широко используется для создания выставочных стендов,  легких дверей и перегородок, защитных ограждений, небольших лабораторных приборов и других конструкций.
Профиль изготовлен по стандартам
ГОСТ 22233-2025

Продается кратно 1 метру.
Стоимость:
2 191 р/м
Технически характеристики:
Длина профиля:
6020 мм
Паз:
8
Серия:
30
Масса:
1,83 кг / м
Материал:
AlMgSi 6060 Т6
Покрытие:
анодирование
Площадь сечения профиля:
6.79 см2
Момент инерции, (Ix):
27.44 см4
Момент инерции, (Iy):
27.44 см4
Момент сопротивления, (Wx):
9,15 см3
Момент сопротивления, (Wy):
9,15 см3
Стоимость 1 реза в размер
45 р
Профиль конструкционный 30.60х60UH (Ан. серебро)
Арт. 366UH
Описание:
Профиль сечением 60х60 мм, с пазом Т-пазом 8мм. Конструкция данного профиля универсальна и позволяет точно устанавливать как цилиндрические рельсы SBR16, 20, так профильные направляющие HGR15, 20, что значительно повышает точность позиционирования направляющих. Усиленная конструкция профиля, высокая прямолинейность, большая жесткость на изгиб и кручение делают данную модель отличным решением при построении высокоточных систем с ЧПУ. Профиль имеет широкий спектр применения в различных отраслях промышленности, где требуется высокая точность и надежность в работе. ГОСТ 22233-2025

Продается кратно 1 метру.
Стоимость:
3 935 р/м
Технически характеристики:
Длина профиля:
6020 мм
Паз:
8
Серия:
30
Масса:
3,37 кг / м
Материал:
AlMgSi 6060 Т6
Покрытие:
анодирование
Площадь сечения профиля:
12,43 см2
Момент инерции, (Ix):
46,69 см4
Момент инерции, (Iy):
51,30 см4
Момент сопротивления, (Wx):
15,76 см3
Момент сопротивления, (Wy):
17 см3
Стоимость 1 реза в размер
60 р
Профиль конструкционный 30х30 (Ан. серебро)
Арт. 333
Описание:
Алюминиевый профиль серии 30 с пазом 8 мм применяется для простых конструкций, воспринимающих средние нагрузки. Широко используется для создания выставочных стендов, легких дверей и перегородок, защитных ограждений, небольших лабораторных приборов и других конструкций. Профиль размером 30х30 может также использоваться для изготовления стеллажей и полок.
Профиль изготовлен по стандартам
ГОСТ 22233-2025
Стоимость:
885 р/м
Технически характеристики:
Длина профиля:
6020 мм
Паз:
8
Серия:
30
Масса:
0,74 кг / м
Материал:
AlMgSi 6060 Т6
Покрытие:
анодирование
Площадь сечения профиля:
2,71 см2
Момент инерции, (Ix):
2,61 см4
Момент инерции, (Iy):
2,61 см4
Момент сопротивления, (Wx):
1,74 см3
Момент сопротивления, (Wy):
1,74 см3
Стоимость 1 реза в размер
30 р
Профиль конструкционный 30х30R (Ан. серебро)
Арт. 333R
Описание:
Алюминиевый профиль серии 30 с пазом 8 мм применяется для простых конструкций, воспринимающих средние нагрузки. Скругление профиля с внешней стороны придает конструкции эстетический вид
Профиль изготовлен по стандартам
ГОСТ 22233-2025
Стоимость:
889 р/м
Технически характеристики:
Длина профиля:
6020 мм
Паз:
8
Серия:
30
Масса:
0,78 кг / м
Материал:
AlMgSi 6060 Т6
Покрытие:
анодирование
Площадь сечения профиля:
2.84 см2
Момент инерции, (Ix):
2,24 см4
Момент инерции, (Iy):
2,24 см4
Момент сопротивления, (Wx):
1,49 см3
Момент сопротивления, (Wy):
1,49 см3
Стоимость 1 реза в размер
30 р
Профиль конструкционный 30х60 (Ан. серебро)
Арт. 336
Описание:
Алюминиевый профиль серии 30 с пазом 8 мм применяется для простых конструкций, воспринимающих средние нагрузки. Широко используется для создания выставочных стендов, легких дверей и перегородок, защитных ограждений, небольших лабораторных приборов и других конструкций. Профиль размером 30х60 может также использоваться для изготовления стеллажей и полок.
Профиль изготовлен по стандартам
ГОСТ 22233-2025
Стоимость:
1 591 р/м
Технически характеристики:
Длина профиля:
6020 мм
Паз:
8
Серия:
30
Масса:
1,3200 кг / м
Материал:
AlMgSi 6060 Т6
Покрытие:
анодирование
Площадь сечения профиля:
5.63 см2
Момент инерции, (Ix):
5.37 см4
Момент инерции, (Iy):
19.68 см4
Момент сопротивления, (Wx):
3,58 см3
Момент сопротивления, (Wy):
6,56 см3
Стоимость 1 реза в размер
45 р
Профиль конструкционный 30х60H (Ан. серебро)
Арт. 336H
Описание:
Алюминиевый профиль серии 30 с пазом 8 мм применяется для простых конструкций, воспринимающих средние нагрузки. Широко используется для создания выставочных стендов,  легких дверей и перегородок, защитных ограждений, небольших лабораторных приборов и других конструкций. Профиль размером 30х60 может также использоваться для изготовления стеллажей и полок. 


Профиль изготовлен по стандартам
ГОСТ 22233-2025
Стоимость:
1 762 р/м
Технически характеристики:
Длина профиля:
6020 мм
Паз:
8
Серия:
30
Масса:
1,5200 кг / м
Материал:
AlMgSi 6060 Т6
Покрытие:
анодирование
Площадь сечения профиля:
4,93 см2
Момент инерции, (Ix):
4,85 см4
Момент инерции, (Iy):
18,67 см4
Момент сопротивления, (Wx):
3,23 см3
Момент сопротивления, (Wy):
6,22 см3
Стоимость 1 реза в размер
45 р
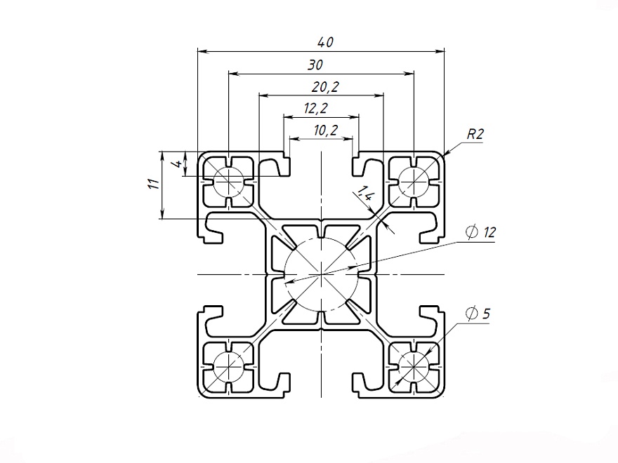
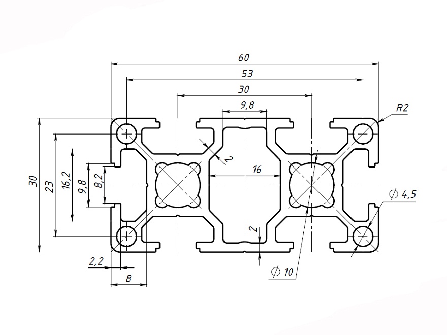
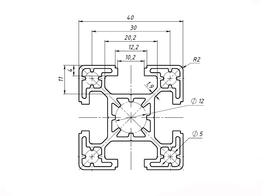
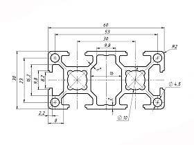
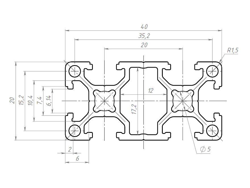
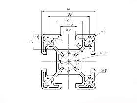
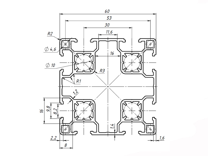
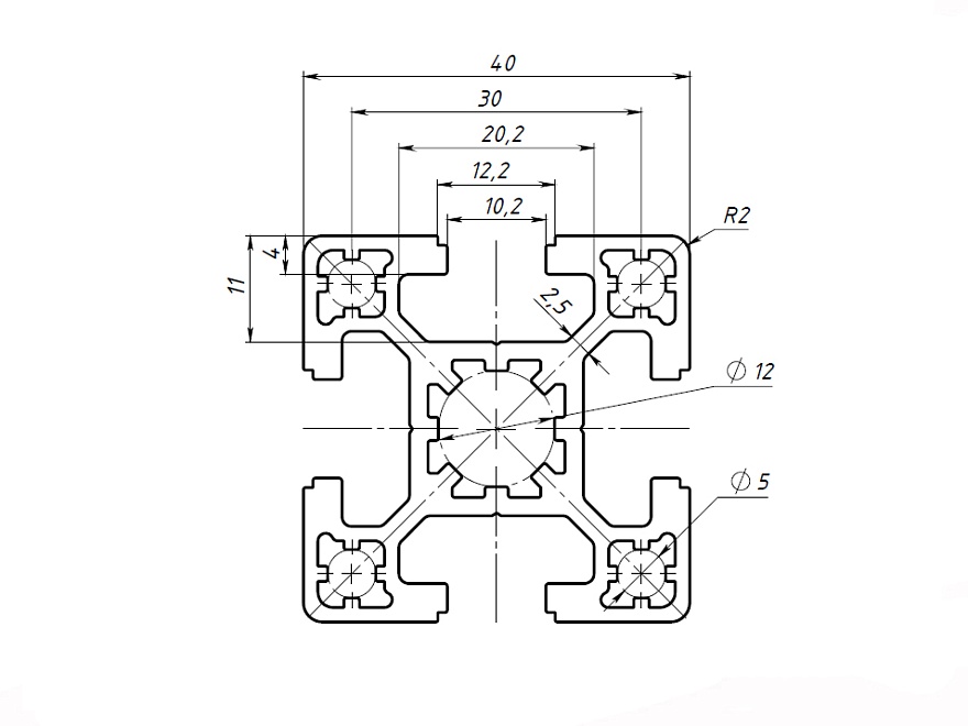
Профиль конструкционный 40х40 (Ан. серебро)
Арт. 444
Описание:
Серия 40 является наиболее распространённой и широко применяемой серией алюминиевого конструкционного профиля. Обладая значительной прочностью и жёсткостью при малом удельном весе, профиль находит широчайшее применение при изготовления различных конструкций, начиная со сборки рабочих столов, верстаков, ограждений промышленного и лабораторного оборудования и заканчивая конвейерными системами и станинами тяжелых станков и машин.
Профиль изготовлен по стандартам
ГОСТ 22233-2025
Стоимость:
1 797 р/м
Технически характеристики:
Длина профиля:
6020 мм
Паз:
10
Серия:
40
Масса:
1,52 кг / м
Материал:
AlMgSi 6060 Т6
Покрытие:
анодирование
Площадь сечения профиля:
5.6 см2
Момент инерции, (Ix):
8.9 см4
Момент инерции, (Iy):
8.9 см4
Момент сопротивления, (Wx):
4,45 см3
Момент сопротивления, (Wy):
4,45 см3
Стоимость 1 реза в размер
40 р
Профиль конструкционный 40х40H (Ан. серебро)
Арт. 444H
Описание:
Серия 40 является наиболее распространённой и широко применяемой серией алюминиевого конструкционного профиля. Обладая значительной прочностью и жёсткостью при малом удельном весе, профиль находит широчайшее применение при изготовления различных конструкций, начиная со сборки рабочих столов, верстаков, ограждений промышленного и лабораторного оборудования и заканчивая конвейерными системами и станинами тяжелых станков и машин.
Профиль изготовлен по стандартам
ГОСТ 22233-2025
Стоимость:
2 081 р/м
Технически характеристики:
Длина профиля:
6020 мм
Паз:
10
Серия:
40
Масса:
1,74 кг / м
Материал:
AlMgSi 6060 Т6
Покрытие:
анодирование
Площадь сечения профиля:
6,39 см2
Момент инерции, (Ix):
10,43 см4
Момент инерции, (Iy):
10,43 см4
Момент сопротивления, (Wx):
5,22 см3
Момент сопротивления, (Wy):
5,22 см3
Стоимость 1 реза в размер
40 р
Профиль конструкционный 40х40L (Ан. серебро)
Арт. 444L
Описание:
Серия 40 является наиболее распространённой и широко применяемой серией алюминиевого конструкционного профиля. Обладая значительной прочностью и жёсткостью при малом удельном весе, профиль находит широчайшее применение при изготовления различных конструкций, начиная со сборки рабочих столов, верстаков, ограждений промышленного и лабораторного оборудования и заканчивая конвейерными системами и станинами тяжелых станков и машин. 
Профиль изготовлен по стандартам
ГОСТ 22233-2025
Стоимость:
1 454 р/м
Технически характеристики:
Длина профиля:
6020 мм
Паз:
10
Серия:
40
Масса:
1,3 кг / м
Материал:
AlMgSi 6060 Т6
Покрытие:
анодирование
Площадь сечения профиля:
4.6 см2
Момент инерции, (Ix):
7.3 см4
Момент инерции, (Iy):
7.3 см4
Момент сопротивления, (Wx):
3,65 см3
Момент сопротивления, (Wy):
3,65 см3
Стоимость 1 реза в размер
40 р
Профиль конструкционный 40х40L.3C (Ан. серебро)
Арт. 444L.3C
Описание:
Серия 40 является наиболее распространённой и широко применяемой серией алюминиевого конструкционного профиля. Обладая значительной прочностью и жёсткостью при малом удельном весе, профиль находит широчайшее применение при изготовления различных конструкций, начиная со сборки рабочих столов, верстаков, ограждений промышленного и лабораторного оборудования и заканчивая конвейерными системами и станинами тяжелых станков и машин. Данная конфигурация профиля имеет три закрытых паза. 
Профиль изготовлен по стандартам
ГОСТ 22233-2025
Стоимость:
1 595 р/м
Технически характеристики:
Длина профиля:
6020 мм
Паз:
10
Серия:
40
Масса:
1,33 кг / м
Материал:
AlMgSi 6060 Т6
Покрытие:
анодирование
Площадь сечения профиля:
4,82 см2
Момент инерции, (Ix):
7,59 см4
Момент инерции, (Iy):
8,04 см4
Момент сопротивления, (Wx):
3,79 см3
Момент сопротивления, (Wy):
4,02 см3
Стоимость 1 реза в размер
40 р
Профиль конструкционный 40х40L1C (Ан. серебро)
Арт. 444L1C
Описание:
Серия 40 является наиболее распространённой и широко применяемой серией алюминиевого конструкционного профиля. Обладая значительной прочностью и жёсткостью при малом удельном весе, профиль находит широчайшее применение при изготовления различных конструкций, начиная со сборки рабочих столов, верстаков, ограждений промышленного и лабораторного оборудования и заканчивая конвейерными системами и станинами тяжелых станков и машин. Данная конфигурация профиля имеет один закрытый паз.
Профиль изготовлен по стандартам
ГОСТ 22233-2025
Стоимость:
1 575 р/м
Технически характеристики:
Длина профиля:
6020 мм
Паз:
10
Серия:
40
Масса:
1,28 кг / м
Материал:
AlMgSi 6060 Т6
Покрытие:
анодирование
Площадь сечения профиля:
4.7 см2
Момент инерции, (Ix):
7.24 см4
Момент инерции, (Iy):
7.62 см4
Момент сопротивления, (Wx):
3,62 см3
Момент сопротивления, (Wy):
3,81 см3
Стоимость 1 реза в размер
40 р
Профиль конструкционный 40х40SH (Ан. серебро)
Арт. 444SH
Описание:
Серия 40 является наиболее распространённой и широко применяемой серией алюминиевого конструкционного профиля. Обладая значительной прочностью и жёсткостью при оптимальном весе, профиль находит широчайшее применение при изготовления различных конструкций, начиная со сборки рабочих столов, верстаков, ограждений промышленного и лабораторного оборудования и заканчивая конвейерными системами и станинами тяжелых станков и машин.
Профиль изготовлен по стандартам
ГОСТ 22233-2025
Стоимость:
2 393 р/м
Технически характеристики:
Длина профиля:
6020 мм
Паз:
10
Серия:
40
Масса:
1,95 кг / м
Материал:
AlMgSi 6060 Т6
Покрытие:
анодирование
Площадь сечения профиля:
7,21 см2
Момент инерции, (Ix):
11,43 см4
Момент инерции, (Iy):
11,43 см4
Момент сопротивления, (Wx):
5,71 см3
Момент сопротивления, (Wy):
5,71 см3
Стоимость 1 реза в размер
40 р
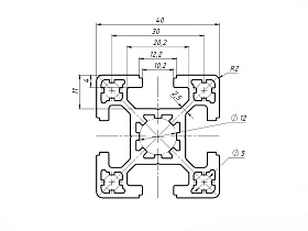
Профиль конструкционный 40х40SL (Ан. серебро)
Арт. 444SL
Описание:
Серия 40 является наиболее распространённой и широко применяемой серией алюминиевого конструкционного профиля. Обладая значительной прочностью и жёсткостью при малом удельном весе, профиль находит широчайшее применение при изготовления различных конструкций, начиная со сборки рабочих столов, верстаков, ограждений промышленного и лабораторного оборудования и заканчивая конвейерными системами и станинами тяжелых станков и машин. 
Профиль изготовлен по стандартам
ГОСТ 22233-2025
Стоимость:
1 226 р/м
Технически характеристики:
Длина профиля:
6020 мм
Паз:
10
Серия:
40
Масса:
0,97 кг / м
Материал:
AlMgSi 6060 Т6
Покрытие:
анодирование
Площадь сечения профиля:
3.62 см2
Момент инерции, (Ix):
5,96 см4
Момент инерции, (Iy):
5,96 см4
Момент сопротивления, (Wx):
2,98 см3
Момент сопротивления, (Wy):
2,98 см3
Стоимость 1 реза в размер
40 р
Профиль конструкционный 40х40T (Ан. серебро)
Арт. 444T
Описание:
Алюминиевый профиль серии 40 с пазом 10 мм применяется для простых конструкций, воспринимающих средние нагрузки. Скругление профиля с внешней стороны придает конструкции эстетический вид.
Профиль изготовлен по стандартам
ГОСТ 22233-2018
Стоимость:
1 464 р/м
Технически характеристики:
Длина профиля:
5800 мм
Паз:
10
Серия:
40
Масса:
1,16 кг / м
Материал:
AlMgSi 6060 Т6
Покрытие:
анодирование
Площадь сечения профиля:
4,34 см2
Момент инерции, (Ix):
6,05 см4
Момент инерции, (Iy):
6,05 см4
Момент сопротивления, (Wx):
3,56 см3
Момент сопротивления, (Wy):
3,56 см3
Стоимость 1 реза в размер
40 р
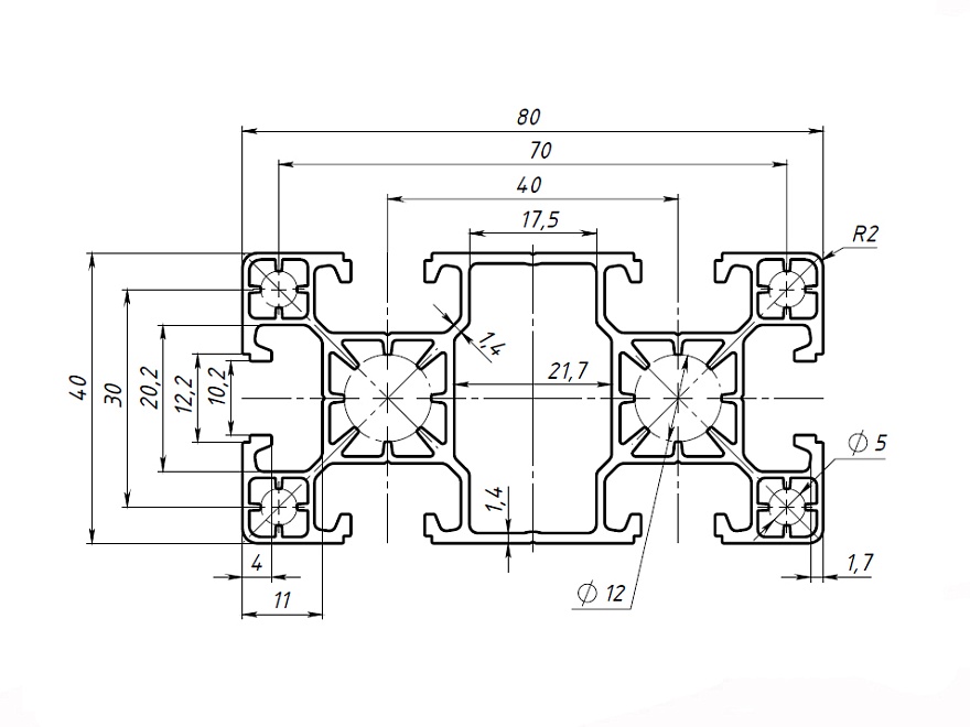
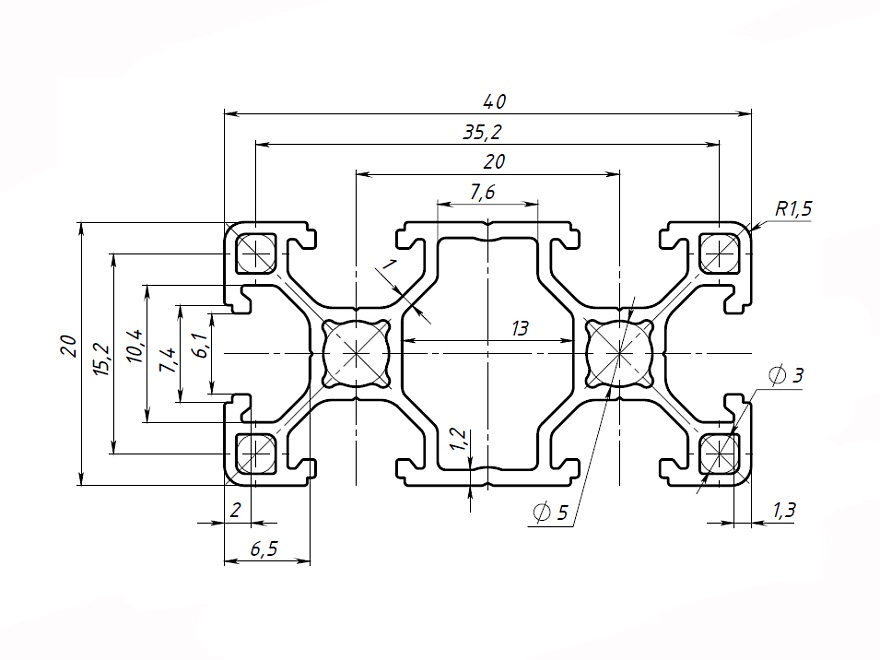
Профиль конструкционный 40х60 (Ан. серебро)
Арт. 446
Описание:
Серия 40 является наиболее распространённой и широко применяемой серией алюминиевого конструкционного профиля. Обладая значительной прочностью и жёсткостью при малом удельном весе, профиль находит широчайшее применение при изготовления различных конструкций, начиная со сборки рабочих столов, верстаков, ограждений промышленного и лабораторного оборудования и заканчивая конвейерными системами и станинами тяжелых станков и машин. 
Профиль изготовлен по стандартам
ГОСТ 22233-2025
Стоимость:
2 682 р/м
Технически характеристики:
Длина профиля:
6020 мм
Паз:
10
Серия:
40
Масса:
2,23 кг / м
Материал:
AlMgSi 6060 Т6
Покрытие:
анодирование
Площадь сечения профиля:
8.27 см2
Момент инерции, (Ix):
13.88 см4
Момент инерции, (Iy):
28.57 см4
Момент сопротивления, (Wx):
6,94 см3
Момент сопротивления, (Wy):
9,52 см3
Стоимость 1 реза в размер
50 р
Профиль конструкционный 40х80SL (Ан. серебро)
Арт. 448SL
Описание:
Серия 40 является наиболее распространённой и широко применяемой серией алюминиевого конструкционного профиля. Обладая значительной прочностью и жёсткостью при малом удельном весе, профиль находит широчайшее применение при изготовления различных конструкций, начиная со сборки рабочих столов, верстаков, ограждений промышленного и лабораторного оборудования и заканчивая конвейерными системами и станинами тяжелых станков и машин.
Профиль изготовлен по стандартам
ГОСТ 22233-2025
Стоимость:
2 145 р/м
Технически характеристики:
Длина профиля:
6020 мм
Паз:
10
Серия:
40
Масса:
1,73 кг / м
Материал:
AlMgSi 6060 Т6
Покрытие:
анодирование
Площадь сечения профиля:
6.4 см2
Момент инерции, (Ix):
11.38 см4
Момент инерции, (Iy):
41.91 см4
Момент сопротивления, (Wx):
5,69 см3
Момент сопротивления, (Wy):
10,48 см3
Стоимость 1 реза в размер
60 р
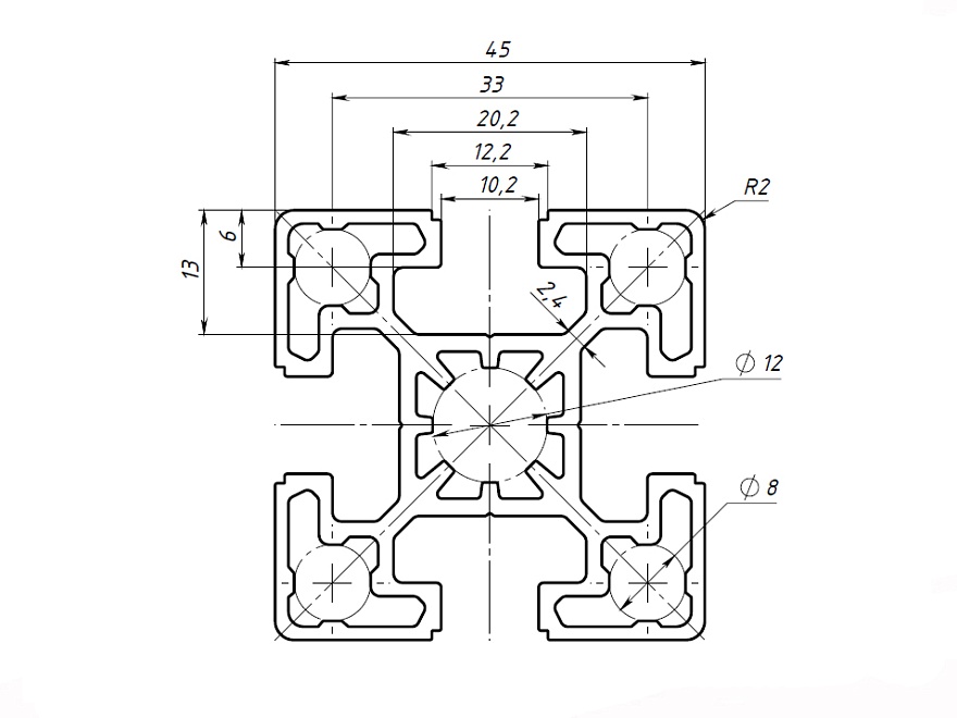
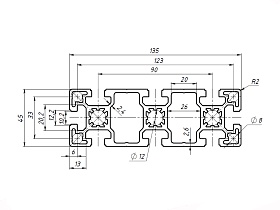
Профиль конструкционный 45х135 (Ан. серебро)
Арт. 5513
Описание:
Серия 45 - универсальная серия профиля с т-образным пазом, предназначенная для построения несущих и средненагруженных конструкций. Является отличной альтернативой профиля Серии 40. Широко применяется при реализации крупных проектов (поточные линии, конвейеры, сборочные линии и участки) как профиль наилучшим образом сочетающий в себе высокую надежность и приемлемую цену.
Профиль изготовлен по стандартам
ГОСТ 22233-2025

Продается кратно 1 метру.
Стоимость:
5 875 р/м
Технически характеристики:
Длина профиля:
6020 мм
Паз:
10
Серия:
45
Масса:
4,97 кг / м
Материал:
AlMgSi 6060 Т6
Покрытие:
анодирование
Площадь сечения профиля:
18.6 см2
Момент инерции, (Ix):
41.25 см4
Момент инерции, (Iy):
318.21 см4
Момент сопротивления, (Wx):
18,33 см3
Момент сопротивления, (Wy):
47,14 см3
Стоимость 1 реза в размер
90 р
Профиль конструкционный 45х180 (Ан. серебро)
Арт. 5518
Описание:
Серия 45 - универсальная серия профиля с т-образным пазом, предназначенная для построения несущих и средненагруженных конструкций. Является отличной альтернативой профиля Серии 40. Широко применяется при реализации крупных проектов (поточные линии, конвейеры, сборочные линии и участки) как профиль наилучшим образом сочетающий в себе высокую надежность и приемлемую цену.
Профиль изготовлен по стандартам
ГОСТ 22233-2025

Продается кратно 1 метру.
Стоимость:
7 765 р/м
Технически характеристики:
Длина профиля:
6020 мм
Паз:
10
Серия:
45
Масса:
6,5 кг / м
Материал:
AlMgSi 6060 Т6
Покрытие:
анодирование
Площадь сечения профиля:
24.01 см2
Момент инерции, (Ix):
54.06 см4
Момент инерции, (Iy):
723.3 см4
Момент сопротивления, (Wx):
24,03 см3
Момент сопротивления, (Wy):
80,37 см3
Стоимость 1 реза в размер
115 р
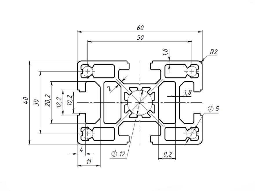
Профиль конструкционный 45х45 (Ан. серебро)
Арт. 555
Описание:
Серия 45 - универсальная серия профиля с т-образным пазом, предназначенная для построения несущих и средненагруженных конструкций. Является отличной альтернативой профиля Серии 40. Широко применяется при реализации крупных проектов (поточные линии, конвейеры, сборочные линии и участки) как профиль наилучшим образом сочетающий в себе высокую надежность и приемлемую цену.
Профиль изготовлен по стандартам
ГОСТ 22233-2025
Стоимость:
1 945 р/м
Технически характеристики:
Длина профиля:
6020 мм
Паз:
10
Серия:
45
Масса:
1,6 кг / м
Материал:
AlMgSi 6060 Т6
Покрытие:
анодирование
Площадь сечения профиля:
6 см2
Момент инерции, (Ix):
11.47 см4
Момент инерции, (Iy):
11.47 см4
Момент сопротивления, (Wx):
5,10 см3
Момент сопротивления, (Wy):
5,10 см3
Стоимость 1 реза в размер
45 р
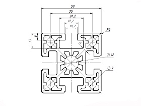
Профиль конструкционный 50х50 (Ан. серебро)
Арт. 655
Описание:
Данные профили, являются особенно подходящими для конструкций несущие высокие нагрузки, такие как рабочие столы, транспортные тележки, рамы под оборудование и другое. 
Профиль изготовлен по стандартам
ГОСТ 22233-2025
Стоимость:
3 092 р/м
Технически характеристики:
Длина профиля:
6020 мм
Паз:
10
Серия:
50
Масса:
2,64 кг / м
Материал:
AlMgSi 6060 Т6
Покрытие:
анодирование
Площадь сечения профиля:
9.79 см2
Момент инерции, (Ix):
22.5 см4
Момент инерции, (Iy):
22.5 см4
Момент сопротивления, (Wx):
9,00 см3
Момент сопротивления, (Wy):
9,00 см3
Стоимость 1 реза в размер
50 р
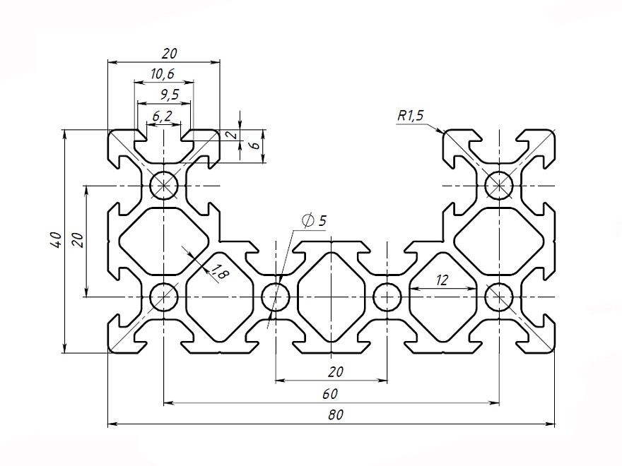
Профиль конструкционный 60х60, 4 паза (Ан. серебро)
Арт. 766
Описание:
Данные профили, являются особенно подходящими для конструкций несущие высокие нагрузки, такие как рабочие столы, транспортные тележки, рамы под оборудование и другое. 
Рекомендуется использовать Заглушку торцевую 60 х 60, A801
Профиль изготовлен по стандартам
ГОСТ 22233-2025
Стоимость:
4 340 р/м
Технически характеристики:
Длина профиля:
1250 мм
Паз:
10
Серия:
60
Масса:
3,63 кг / м
Материал:
AlMgSi 6060 Т6
Покрытие:
анодирование
Площадь сечения профиля:
13,75 см2
Момент инерции, (Ix):
47,53 см4
Момент инерции, (Iy):
47,53 см4
Момент сопротивления, (Wx):
15,84 см3
Момент сопротивления, (Wy):
15,84 см3
Стоимость 1 реза в размер
60 р
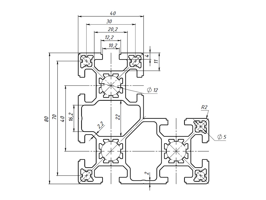
Профиль конструкционный 80х80.22 (Ан. серебро)
Арт. 488.22
Описание:
Серия 40 является наиболее распространённой и широко применяемой серией алюминиевого конструкционного профиля. Обладая значительной прочностью и жёсткостью при малом удельном весе, профиль находит широчайшее применение при изготовления различных конструкций, начиная со сборки рабочих столов, верстаков, ограждений промышленного и лабораторного оборудования и заканчивая конвейерными системами и станинами тяжелых станков и машин.
Профиль изготовлен по стандартам
ГОСТ 22233-2025

Продается кратно 1 метру.
Стоимость:
4 574 р/м
Технически характеристики:
Длина профиля:
6020 мм
Паз:
10
Серия:
40
Масса:
3,74 кг / м
Материал:
AlMgSi 6060 Т6
Покрытие:
анодирование
Площадь сечения профиля:
13.78 см2
Момент инерции, (Ix):
54.22 см4
Момент инерции, (Iy):
108.37 см4
Момент сопротивления, (Wx):
13,56 см3
Момент сопротивления, (Wy):
27,09 см3
Стоимость 1 реза в размер
80 р
Профиль конструкционный V20.40х80.П (Ан. серебро)
Арт. V248.П
Описание:
Алюминиевый профиль 20 серии с пазом 6 мм применяется для простых конструкций воспринимающих средние нагрузки. Также широко используется для создания выставочных стендов, легких дверей и перегородок, защитных ограждений, небольших лабораторных приборов и других конструкций. Профиль конструкционный 20.40х80 отлично подойдет для домашних конструкций.
Профиль изготовлен по стандартам
ГОСТ 22233-2025
Стоимость:
2 845 р/м
Технически характеристики:
Длина профиля:
6020 мм
Паз:
6
Серия:
20
Масса:
2,4 кг / м
Материал:
AlMgSi 6060 Т6
Покрытие:
анодирование
Площадь сечения профиля:
8.9 см2
Момент инерции, (Ix):
12.8 см4
Момент инерции, (Iy):
62.3 см4
Момент сопротивления, (Wx):
6,40 см3
Момент сопротивления, (Wy):
12,98 см3
Стоимость 1 реза в размер
60 р
Профиль конструкционный для станка 60х180 (Ан. серебро)
Арт. 3618CNC
Описание:
Профиль сечением 60х180 мм, с пазом Т-пазом 8мм. Конструкция данного профиля универсальна и позволяет точно устанавливать как цилиндрические рельсы SBR16, 20, так профильные направляющие GR15, 20, что значительно повышает точность позиционирования направляющих. По умолчанию позиционируется под 15 рельс, можно обработать под нужный вам на ЧПУ. Также благодаря конструкции, в профиль можно установить опору трапецеидального винта. Усиленная конструкция профиля, высокая прямолинейность, большая жесткость на изгиб и кручение делают данную модель отличным решением при построении высокоточных систем с ЧПУ. Профиль имеет широкий спектр применения в различных отраслях промышленности, где требуется высокая точность и надежность в работе.
Профиль изготовлен по стандартам
ГОСТ 22233-2025

Продается кратно 1 метру.
Стоимость:
12 250 р/м
Технически характеристики:
Длина профиля:
3020 мм
Паз:
8, 10
Серия:
30, 40, 45
Масса:
10,212 кг / м
Материал:
AlMgSi 6060 Т6
Покрытие:
анодирование
Площадь сечения профиля:
37,67 см2
Момент инерции, (Ix):
143,11 см4
Момент инерции, (Iy):
1238,19 см4
Момент сопротивления, (Wx):
43,69 см3
Момент сопротивления, (Wy):
137,57 см3
Стоимость 1 реза в размер
120 р
Расчет профиля на прогиб
Профиль
Профиль алюминиевый (уголок) 100х100х15 (Ан. серебро)
Профиль алюминиевый (уголок) 100х100х15 (Ан. серебро)
Профиль алюминиевый (уголок) 16х48х2 (Ан. серебро)
Профиль алюминиевый (уголок) 30х30х4 (Ан. серебро)
Профиль алюминиевый (уголок) 35х35х4 (Ан. серебро)
Профиль алюминиевый (уголок) 40х40х5 (Ан. серебро)
Профиль алюминиевый (уголок) 50х50х9 (Ан. серебро)
Профиль алюминиевый, уголок 20х20х3 (Ан. серебро)
Профиль для стола 15х180 (Ан. серебро)
Профиль для стола 15х180 (Без покрытия)
Профиль для стола 22,5х180 (Ан. серебро)
Профиль для стола 22,5х180 (Без покрытия)
Профиль для стола легкий 11х75 (Ан. серебро)
Профиль для стола легкий 11х75 (Без покрытия)
Профиль для стола средний 14x110 (Ан. серебро)
Профиль для стола средний 14x110 (Без покрытия)
Профиль для стола тяжёлый 17х135 (Ан. серебро)
Профиль для стола тяжёлый 17х135 (Без покрытия)
Профиль кабель-канала 30х32 (Ан. серебро)
Профиль кабель-канала 30х32 (Без покрытия)
Профиль кабель-канала 40х40 (Ан. серебро)
Профиль кабель-канала 40х80 (Ан. серебро)
Профиль кабель-канала 60х120 (Ан. серебро)
Профиль кабель-канала 80х160 (Ан. серебро)
Профиль кабель-канала 80х80 (Ан. серебро)
Профиль конструкционный 100х100 (Ан. серебро)
Профиль конструкционный 100х100 (Без покрытия)
Профиль конструкционный 100х100 паз 8мм (Ан. серебро)
Профиль конструкционный 100х100.22L (Ан. серебро)
Профиль конструкционный 100х100.22L (Без покрытия)
Профиль конструкционный 100х100H (Ан. серебро)
Профиль конструкционный 100х100H (Без покрытия)
Профиль конструкционный 100х100L (Ан. серебро)
Профиль конструкционный 100х100L (Без покрытия)
Профиль конструкционный 100х100SL (Ан. серебро)
Профиль конструкционный 100х100SL (Без покрытия)
Профиль конструкционный 15х15 (Ан. серебро)
Профиль конструкционный 15х15 (Без покрытия)
Профиль конструкционный 15х180 (Ан. серебро)
Профиль конструкционный 15х180 (Без покрытия)
Профиль конструкционный 15х30 (Ан. серебро)
Профиль конструкционный 15х30 (Без покрытия)
Профиль конструкционный 16х40 (Ан. серебро)
Профиль конструкционный 16х40 (Без покрытия)
Профиль конструкционный 20.40х40.22 (Ан. серебро)
Профиль конструкционный 20.40х40.22 (Без покрытия)
Профиль конструкционный 20.40х40L (Ан. серебро)
Профиль конструкционный 20.40х40L (Без покрытия)
Профиль конструкционный 20.40х40SH (Ан. серебро)
Профиль конструкционный 20.40х40SH (Без покрытия)
Профиль конструкционный 20.40х60L (Ан. серебро)
Профиль конструкционный 20.40х60L (Без покрытия)
Профиль конструкционный 20.40х60SH (Ан. серебро)
Профиль конструкционный 20.40х60SH (Без покрытия)
Профиль конструкционный 20.40х80L (Ан. серебро)
Профиль конструкционный 20.40х80L (Без покрытия)
Профиль конструкционный 20.40х80SH (Ан. серебро)
Профиль конструкционный 20.40х80SH (Без покрытия)
Профиль конструкционный 20х20 (Ан. серебро)
Профиль конструкционный 20х20 (Ан. черный)
Профиль конструкционный 20х20 (Без покрытия)
Профиль конструкционный 20х20H (Ан. серебро)
Профиль конструкционный 20х20H (Без покрытия)
Профиль конструкционный 20х20L (Ан. серебро)
Профиль конструкционный 20х20L (Ан. черный)
Профиль конструкционный 20х20L (Без покрытия)
Профиль конструкционный 20х20L.3C (Ан. серебро)
Профиль конструкционный 20х20L.3C (Без покрытия)
Профиль конструкционный 20х20R (Ан. серебро)
Профиль конструкционный 20х20R (Без покрытия)
Профиль конструкционный 20х20SH (Ан. серебро)
Профиль конструкционный 20х20SH (Без покрытия)
Профиль конструкционный 20х40 (Ан. серебро)
Профиль конструкционный 20х40 (Ан. черный)
Профиль конструкционный 20х40 (Без покрытия)
Профиль конструкционный 20х40H (Ан. серебро)
Профиль конструкционный 20х40H (Без покрытия)
Профиль конструкционный 20х40L (Ан. серебро)
Профиль конструкционный 20х40L (Ан. черный)
Профиль конструкционный 20х40L (Без покрытия)
Профиль конструкционный 20х40SH (Ан. серебро)
Профиль конструкционный 20х40SH (Без покрытия)
Профиль конструкционный 20х60L (Ан. серебро)
Профиль конструкционный 20х60L (Без покрытия)
Профиль конструкционный 20х60SH (Ан. серебро)
Профиль конструкционный 20х60SH (Без покрытия)
Профиль конструкционный 20х80L (Ан. серебро)
Профиль конструкционный 20х80L (Без покрытия)
Профиль конструкционный 20х80SH (Ан. серебро)
Профиль конструкционный 20х80SH (Без покрытия)
Профиль конструкционный 30.60x60L (Ан. серебро)
Профиль конструкционный 30.60x60L (Без покрытия)
Профиль конструкционный 30.60х60H (Ан. серебро)
Профиль конструкционный 30.60х60H (Без покрытия)
Профиль конструкционный 30.60х60UH (Ан. серебро)
Профиль конструкционный 30.60х60UH (Без покрытия)
Профиль конструкционный 30х120 (Ан. серебро)
Профиль конструкционный 30х120 (Без покрытия)
Профиль конструкционный 30х120L (Ан. серебро)
Профиль конструкционный 30х120L (Без покрытия)
Профиль конструкционный 30х150 (Ан. серебро)
Профиль конструкционный 30х150 (Без покрытия)
Профиль конструкционный 30х30 (Ан. серебро)
Профиль конструкционный 30х30 (Ан. черный)
Профиль конструкционный 30х30 (Без покрытия)
Профиль конструкционный 30х30.2С (Ан. серебро)
Профиль конструкционный 30х30.2С (Без покрытия)
Профиль конструкционный 30х30H (Ан. серебро)
Профиль конструкционный 30х30H (Ан. черный)
Профиль конструкционный 30х30H (Без покрытия)
Профиль конструкционный 30х30L (Ан. серебро)
Профиль конструкционный 30х30L (Без покрытия)
Профиль конструкционный 30х30L.3C (Ан. серебро)
Профиль конструкционный 30х30L.3C (Без покрытия)
Профиль конструкционный 30х30R (Ан. серебро)
Профиль конструкционный 30х30R (Без покрытия)
Профиль конструкционный 30х30R45 (Ан. серебро)
Профиль конструкционный 30х30SL (Ан. серебро)
Профиль конструкционный 30х30SL (Без покрытия)
Профиль конструкционный 30х30T (Ан. серебро)
Профиль конструкционный 30х30T (Без покрытия)
Профиль конструкционный 30х60 (Ан. серебро)
Профиль конструкционный 30х60 (Ан. черный)
Профиль конструкционный 30х60 (Без покрытия)
Профиль конструкционный 30х60H (Ан. серебро)
Профиль конструкционный 30х60H (Без покрытия)
Профиль конструкционный 30х60L (Ан. серебро)
Профиль конструкционный 30х60L (Без покрытия)
Профиль конструкционный 30х60SL (Ан. серебро)
Профиль конструкционный 30х60SL (Без покрытия)
Профиль конструкционный 30х90 (Ан. серебро)
Профиль конструкционный 30х90 (Без покрытия)
Профиль конструкционный 30х90L (Ан. серебро)
Профиль конструкционный 30х90L (Без покрытия)
Профиль конструкционный 40х120 (Ан. серебро)
Профиль конструкционный 40х120 (Без покрытия)
Профиль конструкционный 40х120SL (Ан. серебро)
Профиль конструкционный 40х120SL (Без покрытия)
Профиль конструкционный 40х160 (Ан. серебро)
Профиль конструкционный 40х160 (Без покрытия)
Профиль конструкционный 40х40 (Ан. серебро)
Профиль конструкционный 40х40 (Ан. черный)
Профиль конструкционный 40х40 (Без покрытия)
Профиль конструкционный 40х40 паз 8мм (Ан. серебро)
Профиль конструкционный 40х40 паз 8мм (Без покрытия)
Профиль конструкционный 40х40, D = 10 мм (Ан. серебро)
Профиль конструкционный 40х40, D = 10 мм (Без покрытия)
Профиль конструкционный 40х40H (Ан. серебро)
Профиль конструкционный 40х40H (Без покрытия)
Профиль конструкционный 40х40H паз 8мм (Ан. серебро)
Профиль конструкционный 40х40H паз 8мм (Без покрытия)
Профиль конструкционный 40х40L (Ан. серебро)
Профиль конструкционный 40х40L (Без покрытия)
Профиль конструкционный 40х40L.3C (Ан. серебро)
Профиль конструкционный 40х40L.3C (Без покрытия)
Профиль конструкционный 40х40L1C (Ан. серебро)
Профиль конструкционный 40х40L1C (Без покрытия)
Профиль конструкционный 40х40R (Ан. серебро)
Профиль конструкционный 40х40R (Без покрытия)
Профиль конструкционный 40х40R45 (Ан. серебро)
Профиль конструкционный 40х40SH (Ан. серебро)
Профиль конструкционный 40х40SH (Без покрытия)
Профиль конструкционный 40х40SL (Ан. серебро)
Профиль конструкционный 40х40SL (Без покрытия)
Профиль конструкционный 40х40TL (Ан. серебро)
Профиль конструкционный 40х40TL (Без покрытия)
Профиль конструкционный 40х60 (Ан. серебро)
Профиль конструкционный 40х60 (Без покрытия)
Профиль конструкционный 40х60SL (Ан. серебро)
Профиль конструкционный 40х60SL (Без покрытия)
Профиль конструкционный 40х80 (Ан. серебро)
Профиль конструкционный 40х80 (Ан. черный)
Профиль конструкционный 40х80 (Без покрытия)
Профиль конструкционный 40х80 паз 8мм (Ан. серебро)
Профиль конструкционный 40х80 паз 8мм (Без покрытия)
Профиль конструкционный 40х80, D = 10 мм (Ан. серебро)
Профиль конструкционный 40х80, D = 10 мм (Без покрытия)
Профиль конструкционный 40х80H (Ан. серебро)
Профиль конструкционный 40х80H (Без покрытия)
Профиль конструкционный 40х80H паз 8мм (Ан. серебро)
Профиль конструкционный 40х80H паз 8мм (Без покрытия)
Профиль конструкционный 40х80L (Ан. серебро)
Профиль конструкционный 40х80L (Без покрытия)
Профиль конструкционный 40х80SH (Ан. серебро)
Профиль конструкционный 40х80SH (Без покрытия)
Профиль конструкционный 40х80SL (Ан. серебро)
Профиль конструкционный 40х80SL (Без покрытия)
Профиль конструкционный 45x60SL (Ан. серебро)
Профиль конструкционный 45x60SL (Без покрытия)
Профиль конструкционный 45х135 (Ан. серебро)
Профиль конструкционный 45х135 (Без покрытия)
Профиль конструкционный 45х135SL (Ан. серебро)
Профиль конструкционный 45х135SL (Без покрытия)
Профиль конструкционный 45х180 (Ан. серебро)
Профиль конструкционный 45х180 (Без покрытия)
Профиль конструкционный 45х45 (Ан. серебро)
Профиль конструкционный 45х45 (Без покрытия)
Профиль конструкционный 45х45H (Ан. серебро)
Профиль конструкционный 45х45H (Без покрытия)
Профиль конструкционный 45х45L (Ан. серебро)
Профиль конструкционный 45х45L (Без покрытия)
Профиль конструкционный 45х45R (Ан. серебро)
Профиль конструкционный 45х45R (Без покрытия)
Профиль конструкционный 45х45SH (Ан. серебро)
Профиль конструкционный 45х45SH (Без покрытия)
Профиль конструкционный 45х45SL (Ан. серебро)
Профиль конструкционный 45х45SL (Без покрытия)
Профиль конструкционный 45х60 (Ан. серебро)
Профиль конструкционный 45х60 (Без покрытия)
Профиль конструкционный 45х90 (Ан. серебро)
Профиль конструкционный 45х90 (Без покрытия)
Профиль конструкционный 45х90H (Ан. серебро)
Профиль конструкционный 45х90H (Без покрытия)
Профиль конструкционный 45х90L (Ан. серебро)
Профиль конструкционный 45х90L (Без покрытия)
Профиль конструкционный 45х90SH (Ан. серебро)
Профиль конструкционный 45х90SH (Без покрытия)
Профиль конструкционный 45х90SL (Ан. серебро)
Профиль конструкционный 45х90SL (Без покрытия)
Профиль конструкционный 50х100 (Ан. серебро)
Профиль конструкционный 50х100 (Без покрытия)
Профиль конструкционный 50х100 паз 8мм (Ан. серебро)
Профиль конструкционный 50х100SL (Ан. серебро)
Профиль конструкционный 50х100SL (Без покрытия)
Профиль конструкционный 50х150 (Ан. серебро)
Профиль конструкционный 50х150 (Без покрытия)
Профиль конструкционный 50х150SL (Ан. серебро)
Профиль конструкционный 50х150SL (Без покрытия)
Профиль конструкционный 50х50 (Ан. серебро)
Профиль конструкционный 50х50 (Без покрытия)
Профиль конструкционный 50х50 паз 8мм (Ан. серебро)
Профиль конструкционный 50х50SL (Ан. серебро)
Профиль конструкционный 50х50SL (Без покрытия)
Профиль конструкционный 60x120L (Ан. серебро)
Профиль конструкционный 60x120L (Без покрытия)
Профиль конструкционный 60x90L (Ан. серебро)
Профиль конструкционный 60x90L (Без покрытия)
Профиль конструкционный 60х120 (Ан. серебро)
Профиль конструкционный 60х120 (Без покрытия)
Профиль конструкционный 60х60, 4 паза (Ан. серебро)
Профиль конструкционный 60х60.22 (Ан. серебро)
Профиль конструкционный 60х60.22 (Без покрытия)
Профиль конструкционный 60х60H, 4 паза (Ан. серебро)
Профиль конструкционный 60х60H, 4 паза (Без покрытия)
Профиль конструкционный 60х60L, 4 паза (Ан. серебро)
Профиль конструкционный 60х60L, 4 паза (Без покрытия)
Профиль конструкционный 60х90 (Ан. серебро)
Профиль конструкционный 60х90 (Без покрытия)
Профиль конструкционный 80х120 (Ан. серебро)
Профиль конструкционный 80х120 (Без покрытия)
Профиль конструкционный 80х120H (Ан. серебро)
Профиль конструкционный 80х120H (Без покрытия)
Профиль конструкционный 80х160H (Ан. серебро)
Профиль конструкционный 80х160H (Без покрытия)
Профиль конструкционный 80х200 (Ан. серебро)
Профиль конструкционный 80х80 (Ан. серебро)
Профиль конструкционный 80х80 (Без покрытия)
Профиль конструкционный 80х80 паз 8мм (Ан. серебро)
Профиль конструкционный 80х80 паз 8мм (Без покрытия)
Профиль конструкционный 80х80.22 (Ан. серебро)
Профиль конструкционный 80х80.22 (Без покрытия)
Профиль конструкционный 80х80.22R90L (Ан. серебро)
Профиль конструкционный 80х80.22R90L (Без покрытия)
Профиль конструкционный 80х80.22SL (Ан. серебро)
Профиль конструкционный 80х80.22SL (Без покрытия)
Профиль конструкционный 80х80H (Ан. серебро)
Профиль конструкционный 80х80H (Без покрытия)
Профиль конструкционный 80х80H паз 8мм (Ан. серебро)
Профиль конструкционный 80х80H паз 8мм (Без покрытия)
Профиль конструкционный 80х80L (Ан. серебро)
Профиль конструкционный 80х80L (Без покрытия)
Профиль конструкционный 80х80SL (Ан. серебро)
Профиль конструкционный 80х80SL (Без покрытия)
Профиль конструкционный 90x135 (Ан. серебро)
Профиль конструкционный 90x135 (Без покрытия)
Профиль конструкционный 90x90SL (Ан. серебро)
Профиль конструкционный 90x90SL (Без покрытия)
Профиль конструкционный 90х135H (Ан. серебро)
Профиль конструкционный 90х135H (Без покрытия)
Профиль конструкционный 90х90 (Ан. серебро)
Профиль конструкционный 90х90 (Без покрытия)
Профиль конструкционный 90х90.22L (Ан. серебро)
Профиль конструкционный 90х90.22L (Без покрытия)
Профиль конструкционный 90х90H (Ан. серебро)
Профиль конструкционный 90х90H (Без покрытия)
Профиль конструкционный V20.40х40 (Ан. серебро)
Профиль конструкционный V20.40х40 (Без покрытия)
Профиль конструкционный V20.40х40.22 (Ан. серебро)
Профиль конструкционный V20.40х40.22 (Без покрытия)
Профиль конструкционный V20.40х60 (Ан. серебро)
Профиль конструкционный V20.40х60 (Ан. Черный)
Профиль конструкционный V20.40х60 (Без покрытия)
Профиль конструкционный V20.40х80 (Ан. серебро)
Профиль конструкционный V20.40х80 (Без покрытия)
Профиль конструкционный V20.40х80.П (Ан. серебро)
Профиль конструкционный V20.40х80.П (Ан. черный)
Профиль конструкционный V20.40х80.П (Без покрытия)
Профиль конструкционный V20х20 (Ан. серебро)
Профиль конструкционный V20х20 (Ан. черный)
Профиль конструкционный V20х20 (Без покрытия)
Профиль конструкционный V20х20L (Ан. серебро)
Профиль конструкционный V20х20L (Без покрытия)
Профиль конструкционный V20х40 (Ан. серебро)
Профиль конструкционный V20х40 (Ан. черный)
Профиль конструкционный V20х40 (Без покрытия)
Профиль конструкционный V20х40L (Ан. серебро)
Профиль конструкционный V20х40L (Без покрытия)
Профиль конструкционный V20х60 (Ан. серебро)
Профиль конструкционный V20х60 (Без покрытия)
Профиль конструкционный V20х80 (Ан. серебро)
Профиль конструкционный V20х80 (Без покрытия)
Профиль конструкционный для станка 60х120 (Ан. серебро)
Профиль конструкционный для станка 60х120 (Без покрытия)
Профиль конструкционный для станка 60х180 (Ан. серебро)
Профиль конструкционный для станка 60х180 (Без покрытия)
Профиль конструкционный для стола 30х180 (Ан. серебро)
Профиль конструкционный для стола 30х180 (Без покрытия)
Профиль прижимной двухсторонний, паз 10 (Ан. серебро)
Профиль прижимной двухсторонний, паз 10 (Без покрытия)
Профиль прижимной двухсторонний, паз 6 (Ан. серебро)
Профиль прижимной двухсторонний, паз 6 (Без покрытия)
Профиль прижимной двухсторонний, паз 8 (Ан. серебро)
Профиль прижимной двухсторонний, паз 8 (Без покрытия)
Длина профиля
Нагрузка
Направление силы:
Масса профиля (m2):
Момент инерции (I):
Момент сопротивления (W):
Модуль упругости (E):
Предел прочности (σ2):
Схемы крепления и типы нагрузки
Защемленная
с центральной нагрузкой
Защемленная
с равнораспределенной нагрузкой
Шарнирно опертая
с центральной нагрузкой
Шарнирно опертая
с равнораспределенной нагрузкой
Консольная
с нагрузкой на конце
Консольная
с равнораспределенной нагрузкой
В зоне упругой деформации
Шарнирно опертая с центральной нагрузкой
Под нагрузкой:
Под собственным весом:
Наибольший прогиб
Напряжение, σ:
В зоне упругой деформации
Защемленная с равнораспределенной нагрузкой
Под нагрузкой:
Под собственным весом:
Наибольший прогиб
Напряжение, σ:
В зоне упругой деформации
Шарнирно опертая с центральной нагрузкой
Под нагрузкой:
Под собственным весом:
Наибольший прогиб
Напряжение, σ:
В зоне упругой деформации
Шарнирно опертая с равнораспределенной нагрузкой
Под нагрузкой:
Под собственным весом:
Наибольший прогиб
Напряжение, σ:
В зоне упругой деформации
Консольная с нагрузкой на конце
Под нагрузкой:
Под собственным весом:
Наибольший прогиб
Напряжение, σ:
В зоне упругой деформации
Консольная с равнораспределенной нагрузкой
Под нагрузкой:
Под собственным весом:
Наибольший прогиб
Напряжение, σ:
Информация о доставке