каталог товаров
СОБЕРИЗАВОД

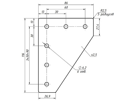
Г-соединитель 90х120 (черный), паз 8, A838 Арт. A838

штука
технические характеристики
Паз: 8
Серия: 30
Масса: 0,1394 кг / шт
Материал: сталь 3 мм
Покрытие: порошковая окраска
В наличии - 5 шт

Описание товара

Г-соединитель 90x120 предназначен для Г-соединения алюминиевых конструкционных профилей серии 30 под углом 90 градусов.