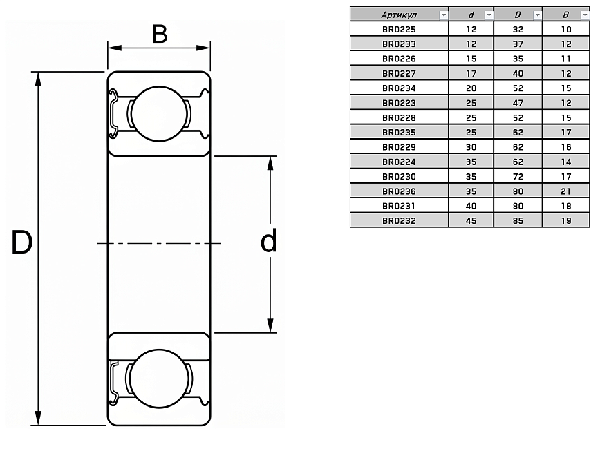
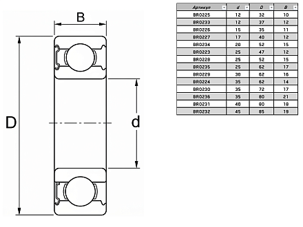
Подшипник 60207 А FBC ( 6207-Z ) 35х72х17, BR0230 Арт. BR0230
технические характеристики
| Производитель: | FBC |
| Масса: | 0.29 кг / шт |
| Материал: | сталь SHX15 |
| Стандарт по ГОСТ: | 60207 |
| Стандарт по ISO: | 6207-Z |
| Внешний диаметр: | 72 мм |
| Внутренний диаметр: | 35 мм |
| Ширина: | 17 мм |
| Тип: | шариковый |
| Тип конструкции: | однорядный, закрытый |
| Тип тел качения: | шарики |
| Нагрузка: | радиальная и двусторонняя осевая |
| Система уплотнений: | Z |
| Макс. частота вращения: | 4300 об/мин |
| Динамическая грузоподъемность: | 25.5 кН |
| Статическая грузоподъемность: | 15.3 кН |
Описание товара
Шариковый радиальный узел 60207 А FBC 35х72х17 мм (6207-Z) с односторонней металлической защитой для электродвигателей и вентиляторов. Уплотнение удерживает смазку. Стабильная работа при умеренных радиальных нагрузках.